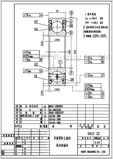
6000 Series

KeyWords:

Category: Deep Groove Ball Bearing

  Online Consultation:+86 13173358999 / 15069592663
Product Details